92看片,手机看片福利盒子,日韩看片,在线看片网站-无人视频在线观看免费播放影院,日本无人区码一码二码三码区别,欧洲
歡迎訪問浙江托爾電氣有限公司官方網站!本公司專業(yè)生產防雷器、浪涌保護器、SPD后備保護器等防雷產品。
網站首頁
公司簡介
企業(yè)榮譽
新聞中心
工程案例
產品中心
智慧防雷
實驗設備
留言中心
聯系我們
新聞中心
行業(yè)新聞
公司新聞
綜合新聞
產品新聞
聯系我們
浙江托爾電氣有限公司
地址:浙江省樂清市柳市鎮(zhèn)前垟洞工業(yè)區(qū)
電話:0577-62677703 62677713
銷售熱線:13868899099(微信同號)
郵箱:chthor@163.com
當前位置:
首 頁
>
新聞中心
>
產品新聞
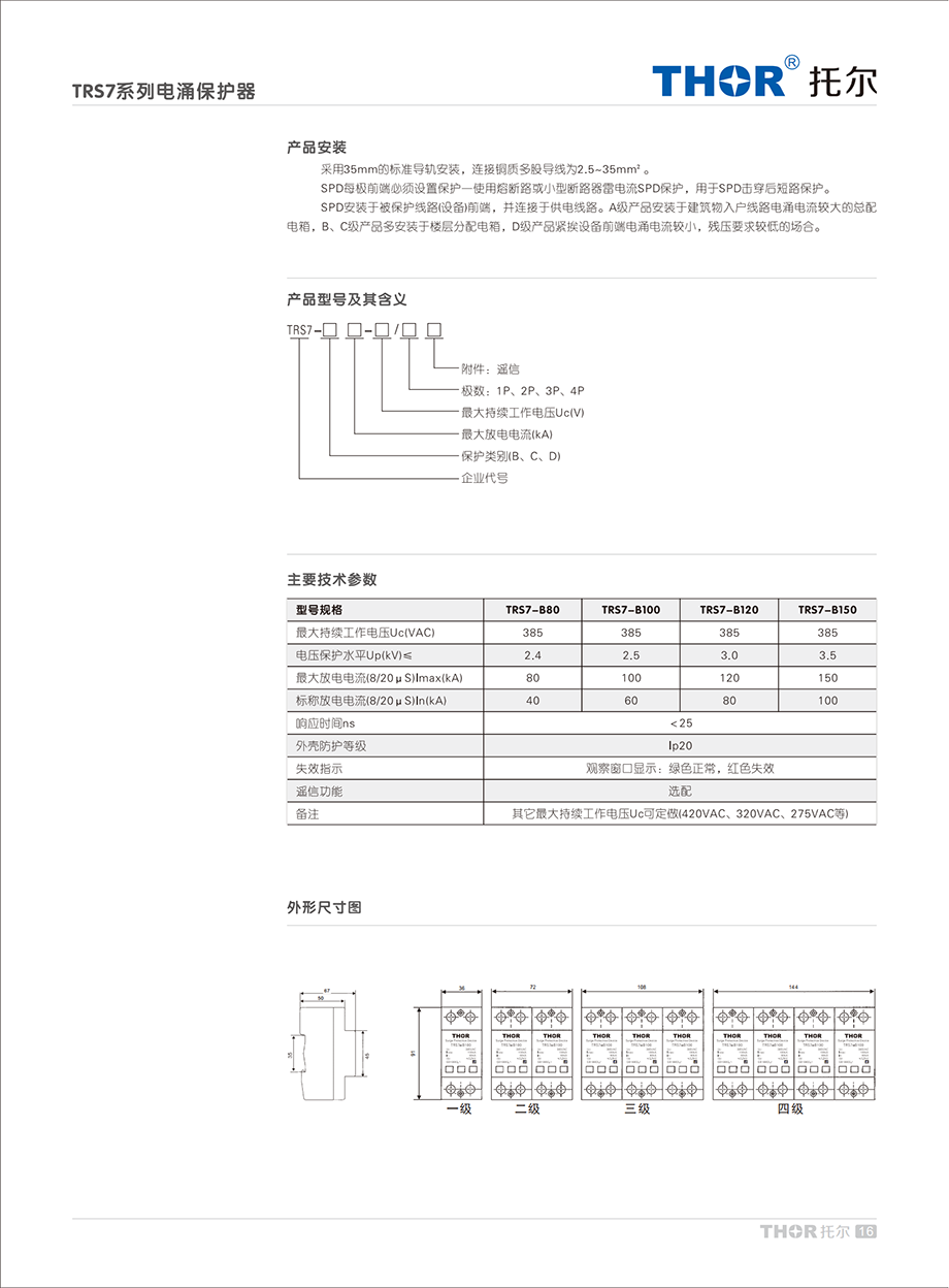
TRS7系列浪涌保護器
時間:
2025-01-03
作者:
admin
點擊:572次
上一篇:
TRS6系列浪涌保護器
下一篇:
TRS9系列浪涌保護器
浙江托爾電氣有限公司
地址:浙江省樂清市柳市鎮(zhèn)前垟洞工業(yè)區(qū)
電話:0577-62677703 62677713
銷售熱線:13868899099(微信同號)
郵箱:chthor@163.com
關于我們
關于我們
企業(yè)榮譽
營銷網絡
聯系我們
產品中心
電源電涌保護器
光伏電涌保護器
信號電涌保護器
電源防雷箱
避雷針
SPD后備保護裝置
LED防雷器
充電樁防雷器
板載式電涌保護器
新聞中心
行業(yè)新聞
公司新聞
綜合新聞
產品新聞
實驗設備
崗位招聘
留言中心
留言中心
聯系我們
聯系我們
官方微信號
版權所有
| 浙江托爾電氣有限公司 |
SPDs
Surge Protective Device
Suege Protection Device
|
浙ICP備06037299號-1